≡
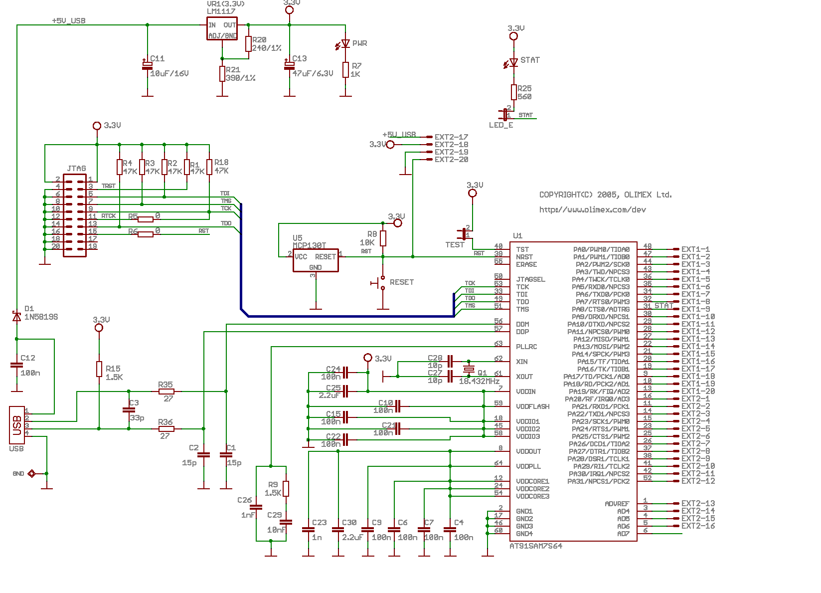
SAM7-H64
Header development board for AT91SAM7S64 ARM7TDMI-S microcontroller
| Price | 19.95 EUR |
|---|---|
| 10 - 49 pcs | 17.96 EUR |
| 50 - 10000 pcs | 15.96 EUR |
FEATURES
- MCU: AT91SAM7S64 16/32 bit ARM7TDMI™ with 64K Bytes Program Flash, 16K Bytes RAM, USB 2.0, RTT, 10 bit ADC 384 ksps, 2x UARTs, TWI (I2C), SPI, 3x 32bit TIMERS, 4x PWM, SSC, WDT, PDC (DMA) for all peripherals, up to 60MHz operation
- Perfect solution for building custom USB peripherals
- Standard JTAG connector with ARM 2x10 pin layout for programming/debugging with ARM-JTAG
- USB connector
- RESET circuit
- RESET button
- Status LED
- TST jumper, for SAM-BA downloading
- On board voltage regulator 3.3V with up to 800mA current
- Single power supply: through USB or from extension header pin
- Power supply LED
- Power supply filtering capacitor
- 18.432 Mhz crystal on socket
- Extension headers for all uC ports + RST and power supply
- PCB: FR-4, 1.5 mm (0,062"), soldermask, silkscreen component print
- Dimensions: 50 x 34 mm (2 x 1.3")
- Distance between the headers: 25.4 mm (1")
DOCUMENTS
HARDWARE
- SAM7-H64 Schematic old schematic, here for archive purposes
- SAM7-H64 REV.C schematic current schematic
SOFTWARE
- Blinking LED project and Binary code for SAM-BA load
- Blink Led project for EW-ARM and Binary code for SAM-BA load
- Sample mouse driver with SAM7-H64 and Binary code for SAM-BA load
- OpenOCD + Eclipse set of projects 1.00 includes make file written in flash for SAM7-H64. The complete list of projects included is here.

